当前位置: 首页 >> 产品中心 >> 流量仪表系列 >> JK-DMF系列质量流量计



产品概述:
JK-DMF系列质量流量计是根据科里奥利原理,实现流体质量流量的直接精密测量,无需任何压力、温度、粘度、密度等换算或修正。其结构是由传感器单元和变送器单元两部分组成。仪表按本质安全防爆型的国家标准设计与制造,防爆标志为Exd ib II CT5 Gb。
科里奥利质量流量计能够直接测量流体的质量,具有高精度(0.1%~0.2),应用范围广(可测量各种非牛顿流体、各种浆液、悬浮液、高粘度流体等),安装要求低(对仪表的前后直管段要求不高),运行可靠、稳定,维修率低等性能。
产品特点:
1、几乎可测量所有流体,包括高粘度液体,泥浆和多相流体;
可提供现场安装和架装的分离型转换器;
高精度的数字信号处理使测量精确稳定;
特殊的检测器隔离系统大大减少外部应力和振动的干扰;
简单的测量流路便于自动排空和清洗,可用于食品行业;
在大量程下能确保高精度和高稳定度;
精确的密度测量;
测量溶液、悬浊液和乳浊液的浓度(如含水率,纯油计算);
温度范围:-200℃~+350℃;
基于微处理器的高性能;
断电期间保存设定的参数和累计量;
高清晰LCD显示;
可选不同的测量管材料;
提供EN,ASME或JIS标准法兰,或根据要求提供;
原理: 
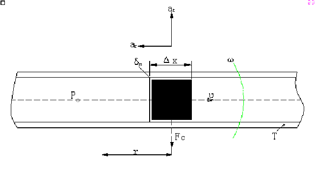
当一个位于以P点为旋转中心做旋转运动的管子内的质点做朝向或远离旋转中心的运动时,将产生一贯性力,原理如图1:
图中质量为δm的质点以匀速v围绕一个固定点P并以角速度ω旋转的管道内移动时,这个质点将获得两个加速度分量:
法向加速度αr(向心加速度),其量值值等于ω2r,方向朝向P点;
切向加速度αt(科里奥利加速度),其量值等于2ωv,方向与αr垂直。
根据牛顿第二运动定律(力=质量X加速度),产生科里奥利加速度αt,必定在αt的方向上施加一个相应的力,其大小等于2ωvδm,这个力来自向上转动的管道。反向作用于管道上的力,Fc=2ωvδm(简称科氏力)。图中,流体δm=ρAΔx,因此科氏力可表示为:
ΔFc=2ωvδm=2ωvρAΔx=2ωδqmΔx
式中:A为管道内截面积
δqm=δdm/dt=vρA
对于特定的旋转管道,其频率特性是一定的,ΔFc仅取决于δqm,因此,直接或间接测得在旋转的管道中的流动的流体所施加的科氏力就可以测得质量流量,这就是质量流量计的基本原理。
仪表参数:
适用范围:适用于液体、气体、液固、气固的质量流量或体积流量的测量
测量管材质:316L不锈钢或哈C合金
压力等级:2.5MPA,4.0MPA,其他高压可以特殊订货。
介质温度:-50℃~+150℃(可特殊定制:最高温度+350℃,最低温度-200℃)
环境温度:传感器:-40℃~+150℃ 变送器:-20℃~+70℃
流量测量精度:±0.20% 、±0.1%流量±[(零点稳定性/流量值)×100]%流量
密度测量精度:±0.002g/cm³、±0.001g/cm³
重复性:±0.10% 、±0.05%流量±[½(零点稳定性/流量值)×100]% 流量
输出信号: 4~20mA 负载电阻<500Ω(瞬时流量或密度可选);0~10kHz 瞬时流量脉冲信号;485 通讯信号
防爆标志: EX d ib II C T5 Gb
Copyright © 浙江精控仪表有限公司 All Rights Reserved. 浙ICP备18010485号-1 | 浙公网安备33048102250602号